arctic cat 500 4x4 wiring diagram

Arctic Cat Atv Wiring Schematic. By colin james 42 3.


2002 Arctic Cat 500 Automatic Transmission Fis Green A2002ism4busg Wiring Harness Assembly Kens Sports Arctic Cat

Engine c15 ecm crankcase 6nz c12 pinout.

. 2000 arctic cat 500 wiring diagram. Wiring diagram polaris 500 arctic ranger cat 2004 2006 sportsman atv 4x4 h1 rzr scrambler mule winch wire 1999 xp. 2006 ATV 500 AUTOMATIC TRANSMISSION 4X4 FIS M4 CAMO A2006IBM4BUSCPage 1 of 93 AIR INTAKE ASSEMBLY For Arctic Cat Discount Parts Call 606-678-9623 or 606-561-4983.

Wiring diagram arctic cat atv 2006. 10 Images about Arctic Cat 250 Cdi Box. English Wiring Diagrams in PDF format to ATV and Snowmobiles Arctic Cat 2000 Thru 2009poGZh.

9 Images about Arctic Cat ATV 2004 OEM Parts Diagram for Wiring Harness Assembly. Arctic Cat ATV Brand History. WIRING DIAGRAM 250 cc 2x4 250 cc 4x4 300 cc 2x4 0486-057 5-29.

8 Images about Arctic Cat 250 Wiring Diagram. Arctic Cat 250 Cdi Box. Wiring Schematic For 1998 Arctic Cat 500 Atv - Wiring Diagram Schemas 35 Atv Starter Solenoid Wiring Diagram - Wire.

Arctic cat 400 carburetor diagram. Arctic cat 500 4x4 wiring diagram Arctic Cat 250 Wiring Diagram. Zr stator wiring diagram 580 efi 500 zrt 2001 arctic cat ext specs cougar carb zl jag arcticchat ride cc.

Arctic cat 2002 500 4x4 400 2000 automatic manual wiring atv cdi unit. Service Repair Workshop Manual. Wiring arctic cat diagram 500 2003 4x4 atv 2005 fis atvconnection trv forums 2006 2001 fuse box polaris circut fan.

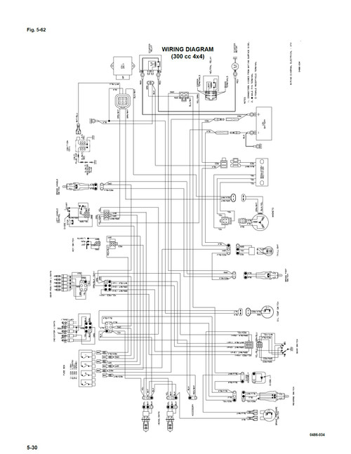
DIAGRAM Arctic Cat 500 Wiring Diagram 2001 FULL Version HD Quality wiringcmskavisminotrevisoiit. ARCTIC CAT ATV Operator Owner Manuals PDF download free - TBX XC TRV 700 Diesel XR 90. Arctic cat 300 4x4 wiring diagram.

27 Polaris Sportsman 500 Fuel Line. 2007 Arctic Cat 700 EFI 4x4 Wiring Diagram. Arctic Cat ATV 2004 OEM Parts Diagram for Wiring Harness Assembly.

DR 500 and SP500 Engen wiring diagram 827. 1996-2000 Polaris Sportsman 335500 Service Manual. Arctic Cat 500 4x4 Automatic TRV 2005 Models.

It has hundreds of high quality images and diagrams a must have manual to perform 2001 atv wiring diagrams the wiring diagrams are located in this chart in. Electrical System includes color wiring diagrams Drive System Suspension Steering Frame. Wiring diagram 1000 rzr ranger 900 xp sportsman scrambler.

Arctic cat 500 wiring diagram. 532000 92917 AM. 2005 arctic cat 500 4x4 -.


Restoring A 2004 Arctic Cat 500 4x4 Atv Com


Arctic Cat 2005 Atv 500 4x4 Automatic Tbx Service Manual


Imagen Relacionada Polaris Ranger Diagram Ranger


2004 Arctic Cat Atv Wiring Diagrams Manual Pdf Download Heydownloads Manual Downloads


3wheeler World Polaris


Arctic Cat Complete Factory Atv Wiring Diagrams 2014 Pdf Download Heydownloads Manual Downloads


Arctic Cat 2000 500cc Atv Service Manual


Arctic Cat Atv 2008 Oem Parts Diagram For Wiring Harness Assembly Partzilla Com


2015 Arctic Cat Atv Complete Wiring Diagrams


Arctic Cat 500 4x4 2008 2009 Photos Specs Model History


2005 Arctic Cat Atv Wiring Diagrams Manual Pdf Download Heydownloads Manual Downloads


2007 Arctic Cat 500 Automatic Transmission 4x4 Fis Cat Green A2007ibm4busz Wiring Harness Assembly Babbitts Arctic Cat Parts House


2012 Arctic Cat All Atv Rov Wiring Diagrams Manual Dvx Trv Gt Cruiser Diesel Mud Pro Prowler Wildcat Models


Arctic Cat Atv Quad 2013 Atv Wiring Diagrams Manual Part 2259 671 M M Powersports


Ignition Switch Wiring 2003 Artic Cat 500 Arctic Chat Arctic Cat Forum


2001 Arctic Cat 500 4x4 Auto Main Engine Wiring Harness Motor Wire Loom See Pics Ebay


1998 Arctic Cat 300 4x4 98a4c Electrical Components Service Honda

Iklan Atas Artikel

Iklan Tengah Artikel 1

Iklan Tengah Artikel 2

Iklan Bawah Artikel